Location:Home >> Products

Graphene Powder

  • Date:2026-03-27
  • Model : RG-100

    High-Performance Graphene for Industrial Applications

    Enhance material performance with minimal loading.RG-100 is engineered to improve strength, conductivity, and durability across a wide range of industrial systems.

    石墨烯产品(1).png

    Key Benefits

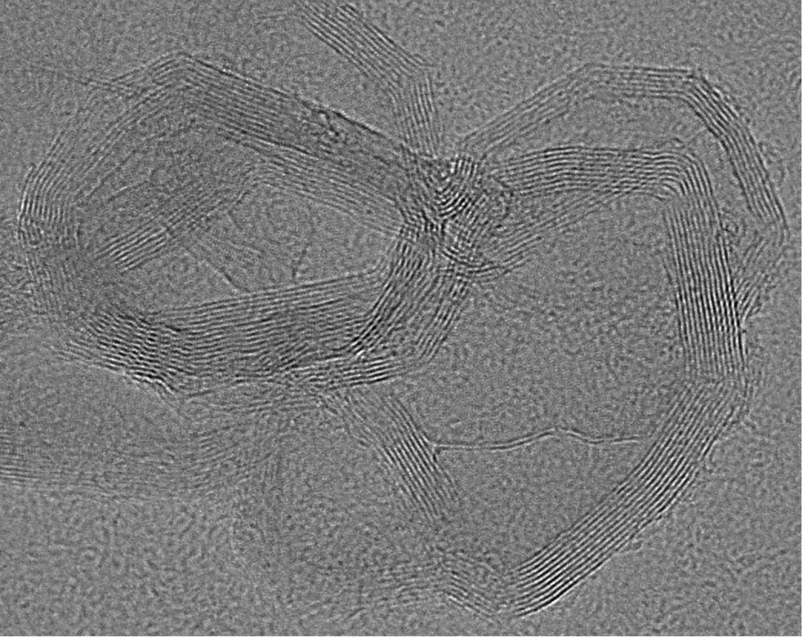
    • High-Quality Structure – Low-defect graphene with ~6 layers and >99% carbon content.
    • Excellent Dispersion – Optimized particle size (2–8 μm) for easy integration into various matrices.
    • Performance Enhancement – Improves mechanical strength, electrical conductivity, and thermal performance.
    • Scalable Supply – Produced via Joule heating for consistent, large-scale production.
    电镜图(1).png

    Applications

    • 🖌️

      Coatings – Improved corrosion resistance and durability.
    • 🛣️

      Asphalt – Enhanced rutting resistance and lifespan.
    • 🏗️

      Concrete – Increased strength and reduced cement usage.
    • 🔥

      Thermal Systems – Efficient heat transfer and uniform heating.
    组合图(1).png

    Key Specifications

    AppearanceBlack powder
    Particle Size2–8 μm
    Surface Area>100 m²/g
    Electrical Resistivity20–40 mΩ·cm
    Layer Number~6
    Carbon Content>99%
    石墨烯粉末(1).jpg

    Ready to elevate your materials?

    Evaluate RG-100 in your formulation and experience measurable performance improvements.

    Request a Sample →
    Request a sample
    Related

    Scaled-up Joule Heating Systems(50 mL or 300 mL)

      Scaled-up Joule Heating Systems(50 mL or…

    Graphene Production Lines

      The World’s First Industrial-Scale Joule…

    Graphene Powder

      High-Purity Few-Layer Graphene via Rapid…

    • Telephone:+65 85634873
    • Email:graphene@sai-yin.com
    • Address:Jinchuang Valley, Taiyuan , Shanxi,China
    Products
    Solutions
    News
    Contact us
    Information

    WeChat QR code


    Copyright © 2026 SaiYin Materials Co., LTD.